В корзине: 0 тов.

Овальные дымоходы

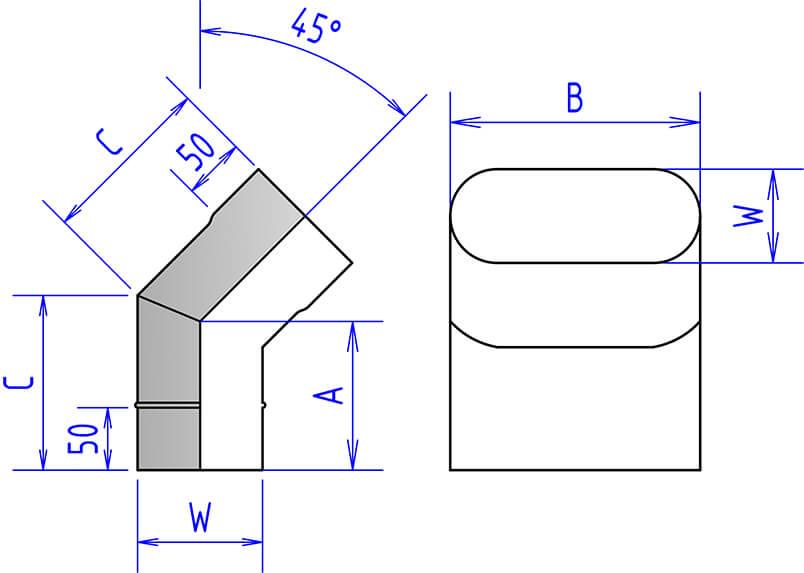
Отвод эллипс 4ОТ 45 книжка

Цену уточняйте

Этого товара нет в наличии, заказ недоступен.

Описание

Отвод эллипс 4ОТ 45 книжка

Отвод 4ОТК 45 — это основной элемент дымоходной системы, позволяющий изменять направление дымовой трубы в случаях, когда необходимо обойти препятствие или повернуть дымоход в нужном направлении.

По конструктивным особенностям Отвод 4ОТК 45 (45 гр.) является неутепленными.

Диапазон стандартных размеров: 100/200, 110/220, 120/240.

W 100 110 120
B 200 220 240
A 123 123 123
C 144 146 148

Детали

Прочее

100/200, 110/220, 120/240

Марка нержавеющей стали

304 0.5, 304 0.8, 321 1.0

Спасибо за оставленную заявку!

В ближайшее время мы с Вами свяжемся.

Вернуться к покупкам