Описание
Крепление к стене КС
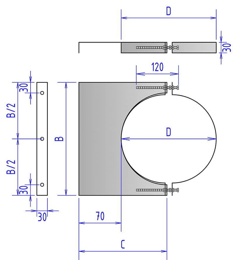
Крепление к стене КС — элемент, поддерживающий дымоход в заданном при монтаже положении и обеспечивающий устойчивость при боковых нагрузках. Служит в большей степени для удержания элементов дымохода в вертикальном положении. Не является силовым элементом. Состоит из опорной пластины с монтажными отверстиями для крепления к стене и разборного ленточного хомута, состоящего из двух радиусных элементов с монтажными отверстиями и болтов с гайками. Опорная пластина жестко закрепляется на стене из негорючего материала. Ленточный хомут охватывает элемент дымохода по наружному диаметру и затягивается посредством болтов и гаек. Передвигая парные гайки можно смещать дымоход в горизонтальном направлении.
Диапазон диаметров: 115 до 1000 мм.
| D | 115 | 120 | 130 | 150 | 180 | 200 | 210 | 215 | 230 |
| C | 133 | 135 | 140 | 150 | 165 | 175 | 180 | 183 | 190 |
| B | 185 | 180 | 200 | 220 | 250 | 270 | 280 | 285 | 300 |
| D | 240 | 250 | 260 | 280 | 300 | 310 | 350 | 360 | 400 |
| C | 195 | 200 | 205 | 215 | 225 | 230 | 250 | 255 | 275 |
| B | 310 | 320 | 330 | 350 | 370 | 380 | 420 | 430 | 470 |
